





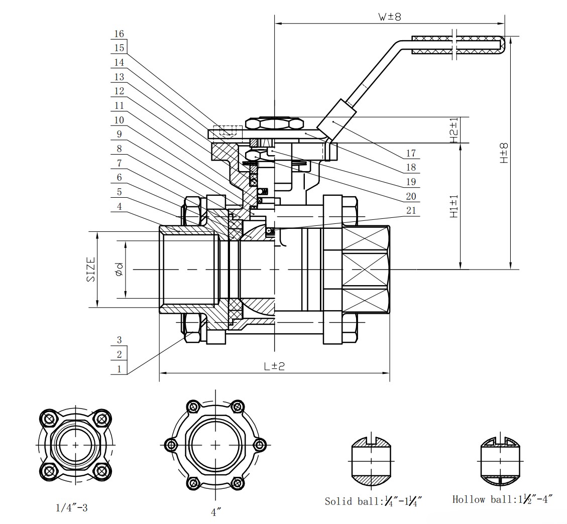
SW三片式全通径手动球阀型号NKRQ61F,品牌耐苛尔,三件式浮动软密封球阀,产品规格DN15-100,压力1000WOG,产品材质CF8/CF8M,双向阀座密封PTFE,耐温150℃,适用介质水 气 油类,广泛用于PN63公斤压力以下的管道中使用。可以搭配气动/电动执行器控制开关
产品型号:NKRQ61F
厂商性质:生产厂家
更新时间:2024-08-10
访 问 量:322
立即咨询
联系电话:17714231992
产品概述
SW三片式全通径手动球阀型号NKRQ61F,品牌耐苛尔,三件式浮动软密封球阀,产品规格DN15-100,压力1000WOG,产品材质CF8/CF8M,双向阀座密封PTFE,耐温150℃,适用介质水 气 油类,广泛用于PN63公斤压力以下的管道中使用。可以搭配气动/电动执行器控制开关
TECHNICAL SPECIFICATION
1 Basic design and manufacture according to ANSI Bl6.34;
2 Adjustable packing gland, Bottom-loaded blowout proof srem;
3 NPT Threaded ends complied with ANSI B 1.20.1;
4 Rc, Rp&G Threaded ends complied with BS 21/2779DIN 259/2999,IS0 228 are upon request;
5 Inspection and tested according to API598:
产品外形尺寸图



